-
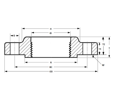
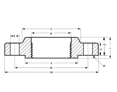
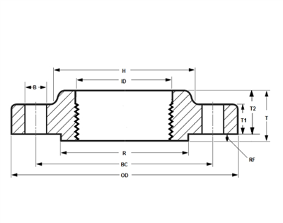
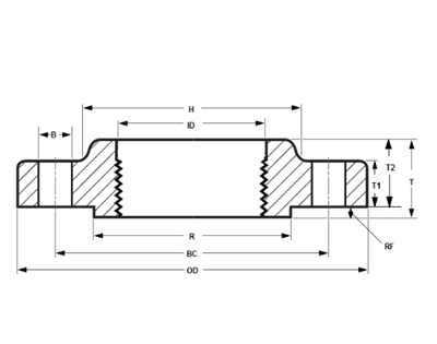
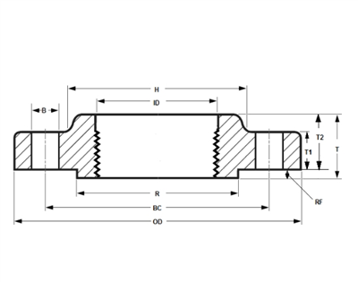
Mar 12, 2024ASME B16.5 تھریڈڈ فلینج کلاس 2500 انچ میںتھریڈڈ کلاس 2500 تھریڈڈ فلینج ڈائمینشنز کلاس 2500 انچ انچ (ASME B16.5) ASME B16.5 تھریڈڈ فلینجز کے لیے، طول و عرض برائے نام پائپ سائز (NPS) اور پریشر کلاس کی بنیاد پر مختلف ہو سکتے -
Mar 12, 2024ASME B16.5 تھریڈڈ فلینج کلاس 1500 انچ میںتھریڈڈ کلاس 1500 تھریڈڈ فلینج ڈائمینشنز کلاس 1500 انچ انچ (ASME B16.5) ASME B16.5 تھریڈڈ فلینجز کے لیے، طول و عرض برائے نام پائپ سائز (NPS) اور پریشر کلاس کی بنیاد پر مختلف ہو سکتے -
Mar 12, 2024ASME B16.5 تھریڈڈ فلینج کلاس 900 انچ میںتھریڈڈ کلاس 900 تھریڈڈ فلینج کے طول و عرض کلاس 900 انچ انچ (ASME B16.5) کلاس 900 تھریڈڈ فلینجز: برائے نام پائپ سائز (NPS): 1/2 انچ (DN 15) سے 24 انچ (DN 600) اور اس سے بڑے کی رینجز -
Mar 12, 2024ASME B16.5 تھریڈڈ فلینج کلاس 600 انچ میںتھریڈڈ کلاس 600 تھریڈڈ فلینج کے طول و عرض کلاس 600 انچ انچ (ASME B16.5) کلاس 600 میں ASME B16.5 تھریڈڈ فلینجز کے لیے، طول و عرض فلانج کے برائے نام پائپ سائز (NPS) کی بنیاد پر مختلف -
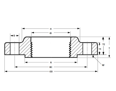
Mar 12, 2024کلاس 2500 ویلڈنگ نیک فلینج کے طول و عرضیہاں ASME B16.5 معیارات کے مطابق کلاس 2500 ویلڈنگ نیک فلینج کے لیے تخمینی جہتیں ہیں، انچ میں: برائے نام پائپ سائز (NPS): 1/2 انچ (DN 15) سے 24 انچ (DN 600) اور اس سے بڑے کی حدود۔ ب -
Mar 12, 2024کلاس 1500 ویلڈنگ نیک فلینج کے طول و عرضیہاں ASME B16.5 معیارات کے مطابق کلاس 1500 ویلڈ نیک فلینج کے لیے تخمینی جہتیں ہیں، انچوں میں: برائے نام پائپ کا سائز (NPS): 1/2 انچ (DN 15) سے 24 انچ (DN 600) اور اس سے بڑے کی حدود -
Mar 12, 2024کلاس 900 ویلڈنگ نیک فلینج کے طول و عرضکلاس 900 ویلڈنگ نیک فلینج کے طول و عرض ASME B16.5 معیارات پر عمل پیرا ہیں، اور وہ فلینج کے برائے نام پائپ سائز (NPS) کی بنیاد پر مختلف ہوتے ہیں۔ عام سائز کے لیے کلاس 900 ویلڈنگ نیک -
Mar 12, 2024کلاس 600 ویلڈنگ نیک فلینج کے طول و عرضکلاس 600 ویلڈنگ نیک فلینج کے طول و عرض، ASME B16.5 معیارات کے مطابق، فلینج کے برائے نام پائپ سائز (NPS) کی بنیاد پر مختلف ہوتے ہیں۔ ذیل میں عام سائز کے لیے کلاس 600 ویلڈنگ نیک فلین -
Mar 12, 2024کلاس 400 ویلڈنگ نیک فلینج کے طول و عرضکلاس 400 ویلڈنگ نیک فلینج کے طول و عرض ASME B16.5 معیار کی پیروی کرتے ہیں، اور دیگر پریشر کلاسز کی طرح، طول و عرض فلانج کے برائے نام پائپ سائز (NPS) کے لحاظ سے مختلف ہوں گے۔ عام سا








